M8 Gelenkauge Edelstahl mit Lagerschuh
35,42 €
Vorrätig
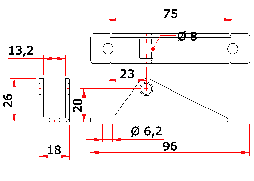
Gelenkauge Edelstahl mit Lagerschuh für Gasfedern mit 8mm Kolbenstange und einem M8 Gewinde. Dieses Gelenkauge verlängert die Gesamtlänge der Gasfeder um 19mm und ist passend für die Kolbenstange und das Druckrohr.
CAD file herunterladen



